CFR Page


CFR Schematic Pages

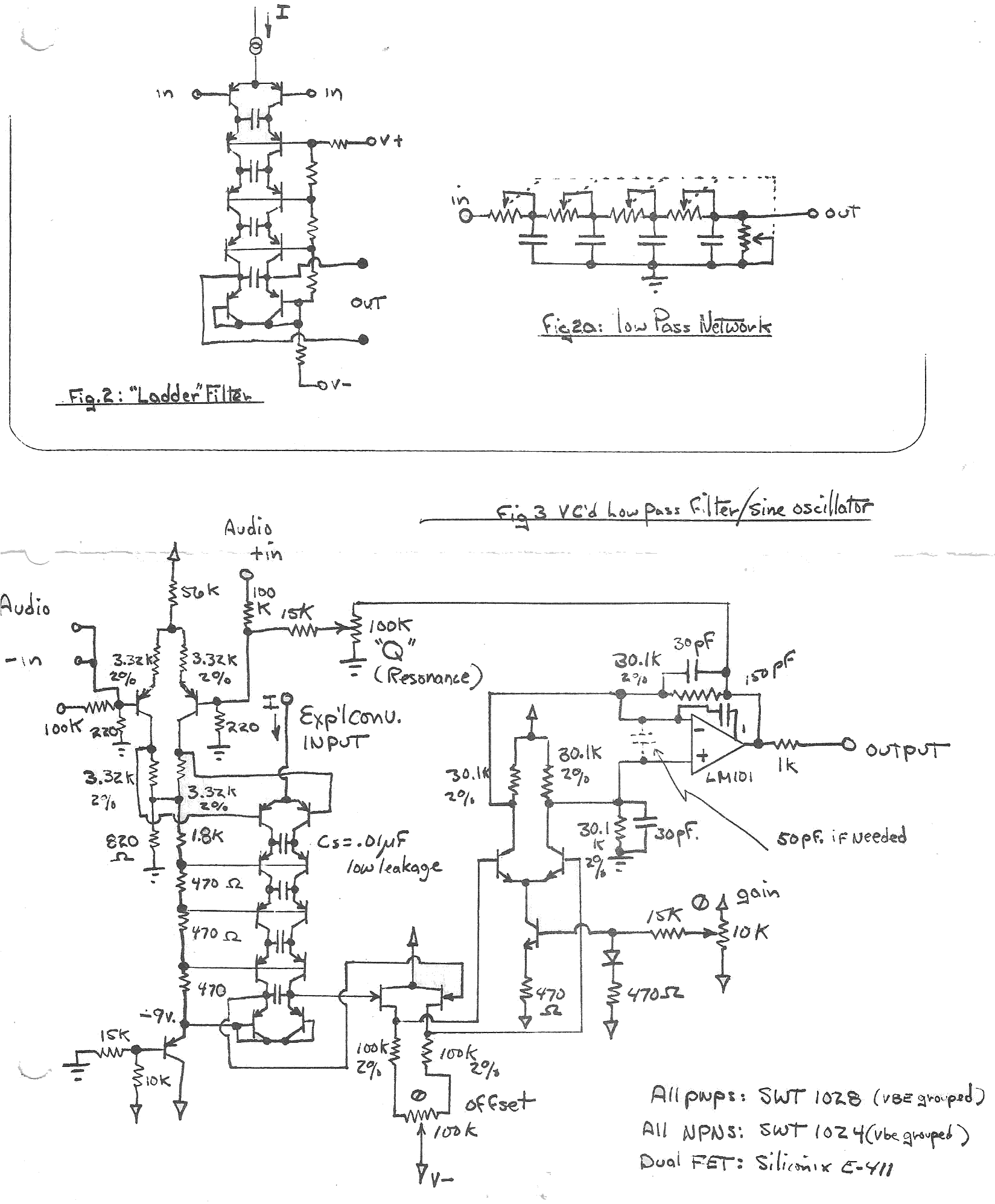
PNP Ladder  
VCO