
![]() Making Peace with MIDI |
![]() Yamaha DCO's |
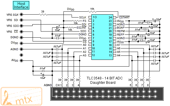
![]() Processing Incoming Voltage |
<Producing Outgoing Voltage |
The diagram indicates the Event Sequencer samples the incoming control signals as a "control recorder". The entire recording or a User edited portion of the sample recording can be made recallable as a "Event".
The Yamaha YM2203C OPN Chip is an evolved AY-3-8910 Programmable Sound Generator (PSG) socket compatible chip. A device intended for the "Games" market (including arcade types).
The intention, in late 2002, was to provide full featured MIDI and ANALOG interfaces, in order to naturally integrate with other instruments.
An initial modification to the FMDCO Board was to exchange the intel 8751 with a Maxim/Dallas DS89C420. This is a higly integrated, high speed, 8051 variant which executes at 32MHz with many instruction requiring a single machine cycle. This speed and capacity increase provides the "head room" need to perform sophisticated algorithms simulataneously on behalf of all 9 oscillators.
for voice assignment, portamento, integrated modulation source such as LFO's, Random Noise, and variable Pitch set or bend.